Description
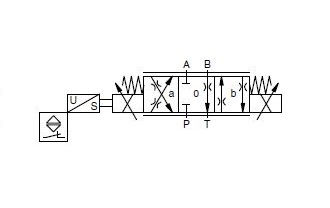
Proporcionální regulační ventil PIH 430 PC 06 N 24 umožňuje řídit průtok oleje a usnadnit tak hladké a přesné řízení. Jejich hlavními rysy jsou vysoká opakovatelnost, vysoká přesnost a nízký hluk. Při použití proporcionálních ventilů se snímáním polohy šoupátka dosáhneme tak výrazně nižší hystereze a vyšší dynamiky ventilu.



