PSL700PC06P36

21 785,00 

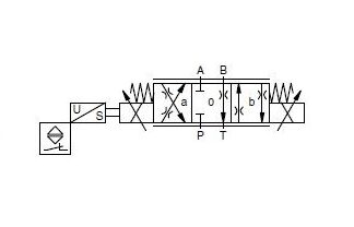
Zástavba NG06, Průtok 0-36 l/min

Out of stock

Description

Proporcionální regulační ventil umožňuje řídit průtok oleje a usnadnit tak hladké a přesné řízení. Jejich hlavními rysy jsou vysoká opakovatelnost, vysoká přesnost a nízký hluk. Při použití proporcionálních ventilů se snímáním polohy šoupátka dosáhneme tak výrazně nižší hystereze a vyšší dynamiky ventilu.

Additional information

Weight 2,1 kg
Maximální napětí

24V DC

Průtok při ?p=10 bar

0-36 l/min

Řídící signál

0-24V DC / 0-800 mA

Tlak

350 bar