Description
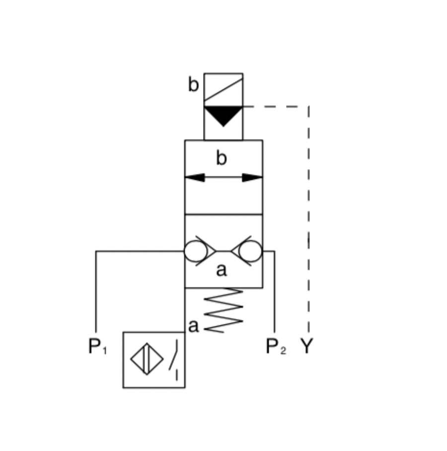
ISV je specíální sedlový ventil s tzv. bezpečností ve formě indukčního koncového spínače, který se sepne jakmile dojde k přepnutí funkce. Tento koncový spínač dokáže posílat signál řídící jednotce, či PLC, že doopravdy došlo k přepnutí funkce u sedlovéhé ventilu. Takto vybavené sedlové ventily se používají tam, kde je potřeba bezpečnostní jištění.

