ISV225VE32P

34 246,00 

Průtok: 320 l/min, Napětí: 24 VDC

Out of stock

SKU: 4160535c8f24 Category:

Description

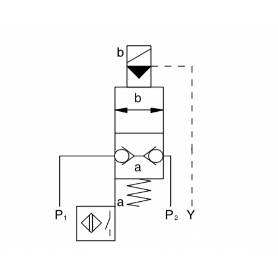
ISV je specíální sedlový ventil s tzv. bezpečností ve formě indukčního koncového spínače, který se sepne jakmile dojde k přepnutí funkce. Tento koncový spínač dokáže posílat signál řídící jednotce, či PLC, že doopravdy došlo k přepnutí funkce u sedlovéhé ventilu. Takto vybavené sedlové ventily se používají tam, kde je potřeba bezpečnostní jištění. 

 

Additional information

Weight 2,5 kg
Jištění

DIN40050, IP65

Model

ISV225

Napětí

24 V DC

Průtok při ?p=10 bar

320 l/min

Tlak - Pmax

P1 ,P2, X, Z = 350 bar

Viskozita

min = 10 mm2/s, max = 600 mm2/s